厂家告诉你污水泵扬程的计算精选
大家知道污水泵扬程的计算是什么吗?今天上海沈泉水泵厂家为大家特地的来讲解一下,请大家跟着小编来看看吧。
污水泵的扬程计算是选择泵的重要依据,这是由管网系统的安装和操作条件决定的。计算前应S先绘制流程草图,平、立面布置图,计算出管线的长度、管径及管件型式和数量。
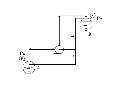
一般管网如下图所示:
D——排出几何高度,m;
取值:高于泵入口中心线:为正;低于泵入口中心线:为负;
S——吸入几何高度,m;
取值:高于泵入口中心线:为负;低于泵入口中心线:为正;
Pd、Ps——容器内操作压力,m液柱(表压);
取值:以表压正负为准
Hf1——直管阻力损失,m液柱;
Hf2——管件阻力损失,m液柱;
Hf3——进出口局部阻力损失,m液柱;
h ——泵的扬程,m液柱
	
h=D+S+hf1+hf2+h3+Pd-Ps
	
h= D-S+hf1+hf2+hf3+Pd-Ps
	
h= D+S+hf1+hf2+hf3+Pd-Ps
计算式中各参数符号的意义
	
某些工业管材的ε约值见下表
	
管网局部阻力计算
	
常用管件和阀件底局部阻力系数ζ
	
以上内容由上海沈泉泵阀有限公司为大家提供,希望能够帮助到大家。如果还想了解或者购买相关的泵类产品,可以与我们的站内客服进行联系。
本文标题: 厂家告诉你污水泵扬程的计算本文地址:http://www.sqmade.cn/QA/603.html
技术服务
推荐产品
 
- ISG立式管道离心泵上海沈泉泵阀制造有限公司为您提供:ISG立式管道离心泵的性能参数表,安装尺 
 
- ISW卧式管道离心泵上海沈泉泵阀制造有限公司为您提供:ISW卧式管道离心泵的性能参数表,安装尺 
 
- SPG立式屏蔽管道离心泵上海沈泉泵阀制造有限公司为您提供:SPG屏蔽管道离心泵的性能参数表,安装尺 
 
- CQB-L磁力立式管道离心泵上海沈泉泵阀制造有限公司为您提供:CQB-L磁力管道离心泵的性能参数表,安装 
 
            




